STG-120三軸一體光纖陀螺儀
2023-11-01 韓正宇

產品概述
● STG-120型三軸分體式光纖陀螺儀是一款全固態高精度數字化閉環光纖陀螺儀,基于薩格奈克(SAGNAC)原理,由摻鉺光纖光源、光纖耦合器、光電探測器、集成光學相位調制器、光纖傳感環圈、電路及結構體組成。
產品特點
● 單5V供電,極低功耗;
● 優異的全溫性能;
● 優異的啟動性能,通電即能達到標稱指標,無需預熱;
● 優異的環境適應性,抗強沖擊振動;
● 干涉條紋識別技術,支持全動態范圍冷啟動。
應用領域
● 捷聯慣導系統;
● 航姿儀;
● 光纖羅經;
● 定位定向系統;
● “三自”慣性導航系統。
技術指標



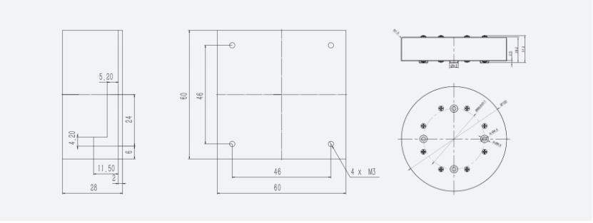
尺寸圖
