TG-40三軸一體光纖陀螺儀
2023-11-01 韓正宇

產品概述
● TG-40型三軸一體式光纖陀螺儀是一款全固態數字化閉環光纖陀螺儀,基于薩格奈克(SAGNAC)原理。由SLD光源、光纖耦合器、光電探測器、集 成光學相位調制器、光纖傳感環圈、電路及結構體組成。
● 轉為小型化慣測系統設計,具有小體積,高精度,高可靠性,結構靈活等特點??筛鶕蛻粼O計臺體生產。
產品特點
● 磁敏感度低;
● 全溫性能優異;
● 專為慣導系統設計;
● 全動態范圍冷啟動;
● 單5V供電,極低功耗。
應用領域
● 小型化彈載慣導系統;
● 航姿儀;
● 小型羅經。
技術指標



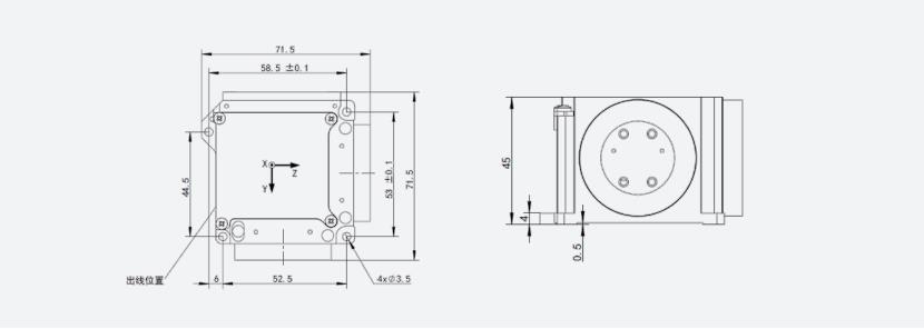
尺寸圖
